What are blowers?
Blowers are fluid machines designed to move air or gas. The main focus of this type of equipment is flow generation, meaning the flow is established under low compression ratios.

Figure 1 – Roots Type Blower (OMEL)
Types of blowers
Blowers can be divided into two main groups:
Flow blowers – operate according to the principle of a dynamic machine, imparting acceleration to the fluid so it gains kinetic energy and subsequently converts it into pressure energy during its movement inside the casing. This energy conversion is based on Bernoulli’s principle.
Positive displacement blowers – also known as volumetric blowers, they move the fluid in defined volumes at each rotation. The most common type used in industry is the Lobe Positive Displacement Blower, widely known as the “Roots” blower.
Lobe Positive Displacement Blowers (Roots)
Roots type lobe blowers are rotary positive displacement machines that move the fluid through lobes inside the casing. The lobes do not compress the fluid (air or gas); they simply transfer it from suction, through the compression chamber, to discharge. Pressure is generated by system resistance and pressure losses.
Operating principle and capacity
In Roots blowers, a shaft is coupled to a driving element (typically a motor) and a set of gears, which rotate the lobes in opposite directions. The internal clearances between lobes and casing are minimal.
As they rotate, the lobes push the air or gas from the suction side toward the discharge, repeating the cycle continuously.

Figure 2 – Operating scheme of OMEL SRT trilobe Roots blower
About the lobes
The lobes are one of the main components of a Roots blower.
OMEL lobes are manufactured in high-strength nodular cast iron. Trilobe designs represent an evolution from bilobe configurations.

Figure 3 – Lobe Evolution

Trilobe Roots Blowers – OMEL
Trilobe blowers provide better pressure distribution around the lobe and shaft, resulting in more balanced load distribution on bearings and seals, reducing mechanical stress and vibration while increasing service life.
Additionally, trilobe design increases gas delivery frequency by approximately 30%, contributing to lower noise levels (around 5 dBA reduction) and more uniform airflow.
OMEL Blower Line
Our blower range includes models: SRT, SR/OF and VRT/PA.

Advantages of OMEL Roots Blowers
- Oil-free gas displacement
- Trilobe models offer higher rigidity, improved operational stability and better pressure distribution, allowing smaller and more cost-effective equipment
- Lubrication sealing through labyrinths, seals and piston rings, ensuring safe and reliable oil sealing
- Robust one-piece cast casing
- Oversized bearings designed for up to 100,000 operating hours at maximum pressure
- Lower pulsation, vibration and noise levels
- Adjustable mounting feet for flexible installation (vertical or horizontal)
- National design and manufacturing, with full availability of spare parts and services across Brazil, including financing through BNDES
OMEL Accessories
OMEL provides a wide range of accessories and auxiliary equipment, including motors, acoustic enclosures, inlet filters, couplings, relief and check valves, flexible joints and start-up valves.
Additionally, we offer integrated solutions such as the OMEL Blazer Package, which includes an SRT blower and a specially designed acoustic enclosure.

The enclosure features:
- Lightweight and robust construction
- Instrumentation panel
- Easy internal access for maintenance and filter replacement
- Ventilation system with ducts
- Door opening sensor
- Made from recyclable materials
Learn more: » https://omel.com.br/en/roots-blowers/omel-blazer-set/
Applications of Roots Blowers
OMEL Roots blowers are generally used in applications requiring oil-free gas flow at low pressure. For vacuum levels above 50%, models from the VRT/PA line should be considered.
Main applications include:
Water treatment and agitation
Used for aeration and agitation of lagoons and tanks in water treatment plants. Air is used to feed bacteria that remove organic matter from the water.

Figure 5 – Application in aeration lagoons and tanks
Material drying
The blower is used to circulate air through the material. The system typically includes a heater and a desiccant.

Figure 6 – Material drying
Bagging of materials
Air is used to fluidize the flow of materials for bagging.

Figure 7 – Bagging of materials
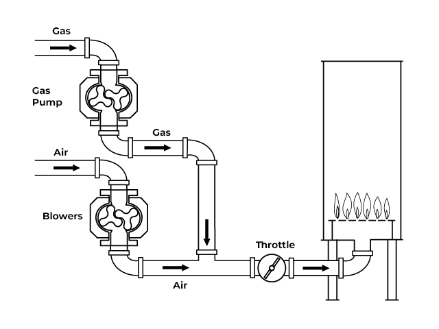
Industrial incinerators, furnaces, and generators
Blowers increase combustion efficiency and promote the exhaust of residual gases.

Figure 8 – Application in incinerators, furnaces, generators, etc.
Pneumatic conveying by suction and discharge
Roots blowers/pumps generate both vacuum and pressure during operation. These can be combined to transport different types of products such as grains, flours, husks, crystals, ash, etc.

Figure 9 – Pneumatic conveying by discharge or suction
Vacuum plastic forming
After heating a plastic sheet, the material is drawn into the mold by a vacuum pump

Figure 10 – Vacuum forming
Agitation of liquids and chemical solutions
Processes such as chrome plating, gold plating, and brass plating use air agitation, ensuring more effective mixing and maintaining the homogeneity of the treated fluid.

Figure 11 – Air agitation of liquids
Bulk material acceleration
The blower directs air and accelerates the flow of bulk materials, making the movement between process stages faster and more efficient.

Figure 12 – Bulk material acceleration
Vacuum System for Material Separation
Blowers generate vacuum and airflow that direct the gas-solid mixture to a separator.

Figure 13 – Solid separation

OMEL Bombas e Compressores is a genuinely Brazilian company with its own engineering and technology, with a manufacturing facility located on its own premises in the city of Guarulhos, São Paulo.
This allows the company to offer shorter delivery times, flexible payment options through BNDES financing, and prompt service for maintenance and supply of original spare parts with warranty.
Contact us — we will be pleased to assist you at every stage of your process.



